Skip to product information
1 of 6

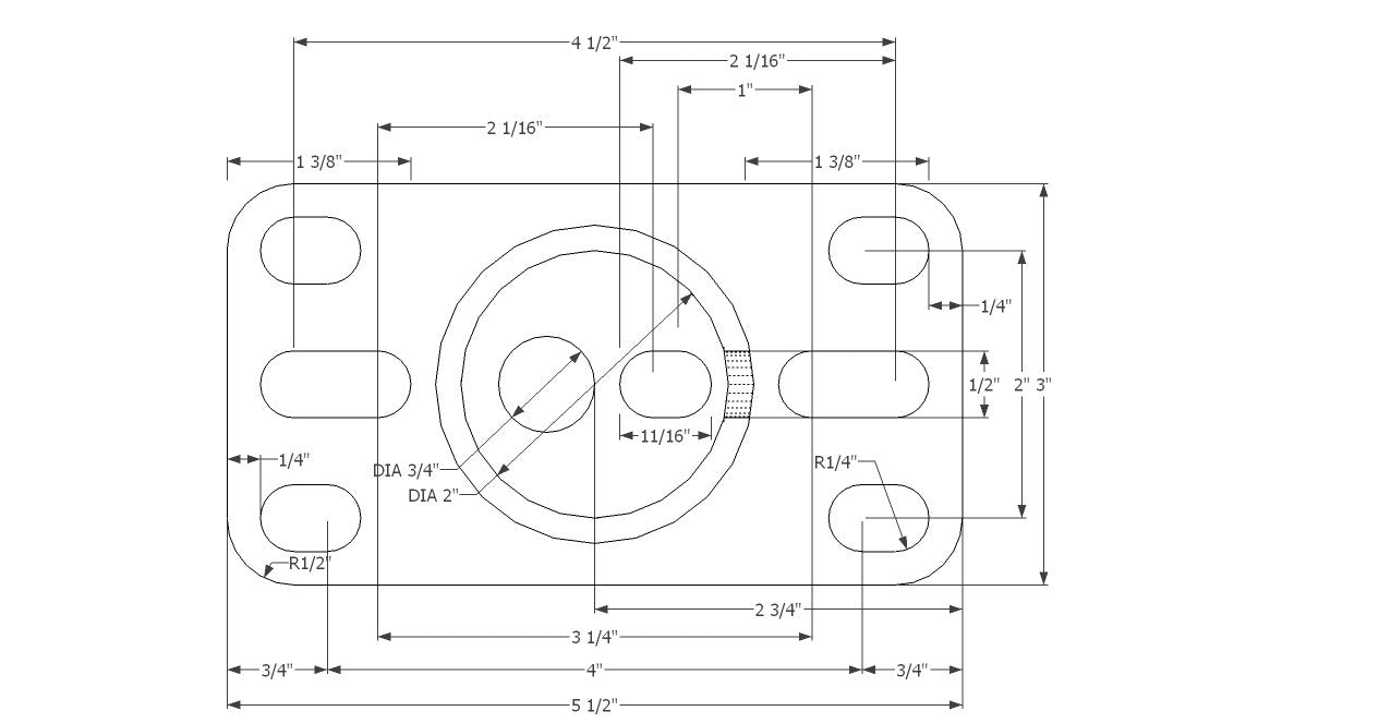
AdaptorMount

Universal Pole Adaptor for Cobrahead and Shoebox Light

Universal Pole Adaptor for Cobrahead and Shoebox Light

Regular price $59.00 USD
Regular price Sale price $59.00 USD
Sale Sold out

Universal Bracket that adds a standard 2" tenon (OD 2 3/8") to virtually any vertical surface. With smart pre-cut hole pattern you can easily adapt this bracket to existing holes on flat walls or beams, wooden or steel poles, etc. Use it to mount slipfitters or street light fixtures or other equipment designed to slide over standard 2" tenon.

  • Universal pre-cut hole pattern for easy installation
  • Schedule 40 steel, welded construction
  • Industrial grade, designed for corrosive and wet locations
  • Tenon is 5" long (standard) and powder coated black
  • Made in Canada
View full details